Ultra-Miniature
UM Series
- Ultra miniature size (extra thin, extra compact)
- Long distance detecting up to 1 m
- Ideal for integrating into small devices
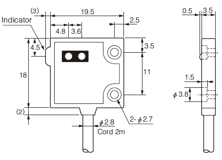
- Thinness of 3.5 mm achieved with embedded amplifier type!
Extremely small volume: less than 0.8 cm^3
Volume fraction: about 1/5 (to conventional Takex product) - Low cost
- Red LED light source allows checking of emitted light spot
- Equipped with stability and operation indicators
- Wide range of applications from small-scale FA to system wide FA
- Thinness of 3.5 mm achieved with embedded amplifier type!













