About pinhole plate
Pinhole plates allow the reduction of the size of a detection object or the margin of movement. Using the sensitivity adjustment volume in combination allows detection of even smaller or near-transparent objects.
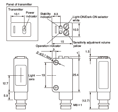
All cable type models

Figures above show receivers. Transmitters have different panels.
All connector type (-J) models

Figures above show receivers. Transmitters have different panels.
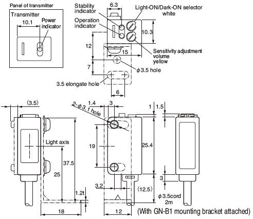
All cable type models

Figures above show receivers. Transmitters have different panels.
Transmitter of through beam type

Receiver of through beam type/polarized retroreflective type/diffuse reflective type/convergent reflective type

- The output transistor turns off when load short circuit or overload occurs. Check the load and turn the power back on.
To extend the cord, use thick wires (at least 0.3 mm^2).
Connector type pin assignment and connection

- M8 connector type
M8 connector type is also available about all models.
See Rating/Performance/Specification for details.
| Sanitary/Amusement
Sensor for Automatic Faucet
|
Hands are detected to turn on water.

| Logistics
Transmission of Signals to AGV Carriages
|
Measuring the distance to the detecting object in the phase differential method and securely detecting a wide area without being affected by the background of the detecting object, glossy surface or color depth.
