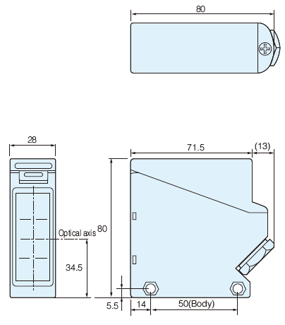
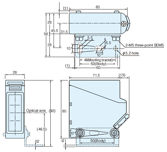
Car Detection
NAL-M10RTC
- 10m long distance detection with reflective type
- Stable detection of mirror-like objects
- Provided with NPN / PNP output
- Stability indicator enables you to check the operation at a glance
Downloads
Manual



