ASW-SG Series
- To detect Silicon Carbide, Sapphire, Silicon and other translucent wafers.
- Applicable to 6, 8 and 12 inch wafers
- Translucent wafer mode (8 and 12 inch models)
- Free from Electrostatic effects (comb sensor unit)


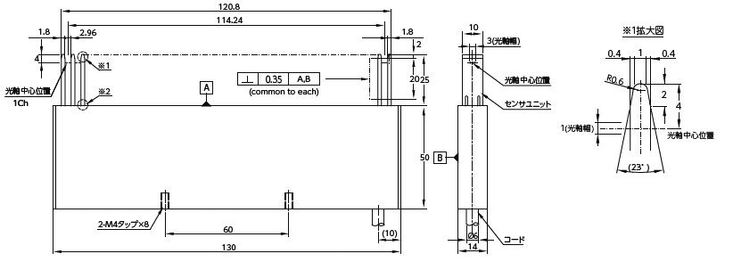
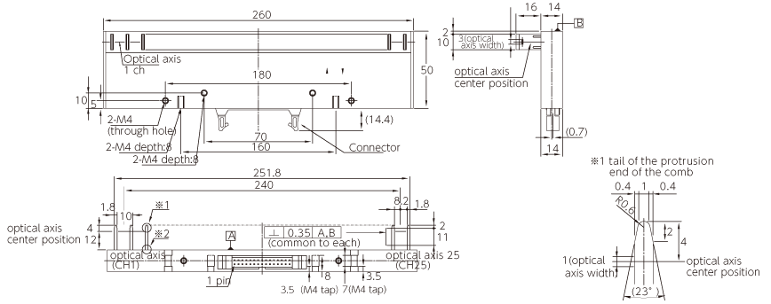
The dimension shown in these drawing apply to the bottom end (※2), not the protrusion end (※1) of the comb.

The dimension shown in these drawing apply to the bottom end (※2), not the protrusion end(※1) of the comb.

The dimension shown in these drawing apply to the bottom end (※2), not the protrusion end (※1) of the comb.




(For a noise prevention, a capacitor is installed between the 0V power supply and the sensor’s aluminum case.
Do not conduct withstand voltage Test between any input / output and the sensor case. )

Collective Detection of Wafers |
Presence of wafers in cassette collectively checked for mapping.
![]()
Detection of Translucent Wafers |
Simultaneously detects all the translucent wafers etc. in cassette by latch mode. Through beam method is adopted for reliable detection.
![]()
Sign up to receive latest news releases and product updates