Transparent Glass or Object Detection
ASG Series
- Reliably detects inclined transparent glass
Ideal for flush-mounting in robot end-effecter. - Unique optical system allows stable detection regardless of warpage or inclination of glass
Unprecedented reliability in inclined object detection is realized by the use of two red LED light sources - Thin (4mm) embedded amplifier photo sensor
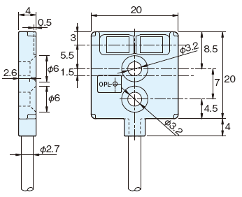
Counterbores for M3 countersunk screws convenient for flush-mounting in robot end-effecter.




