Long Range & Self Diagnostic

NT30F

  • Self diagnostic feature
  • High power for reliable detection in adverse environment
  • Long distance detection of up to 30 m
  • DIN compatible zinc die-cast case
    • Receiver provided with "stability alarm output circuit" for monitoring adequate light reception together with indicator and output terminal. Also equipped with monitor output jack for additional reliability in light axis alignment by use of earphone and Light ON/Dark ON selector switch.
    • Transmitter has "check signal input function" and "monitor output function" for overall operation checking of transmitter and receiver.
Contact us about this series

NT30F

Model Detection method Detecting distance Operation mode Output mode Protective structure  
NT30F Through beam type 30m Light ON/Dark ON NPN IP66
Contact
NT30FW Through beam type 30m Light ON/Dark ON NPN IP66
Contact

More Info

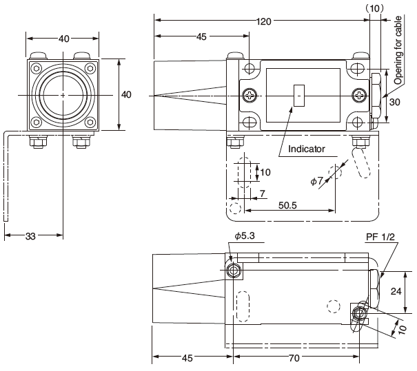
For connection, use cables of 9-11 mm in diameter.
Loosen the screws on the lid of the body to remove the lid.
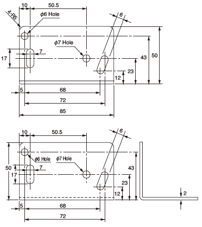
For mounting, use a solid base not subject to vibration.
Fix the sensor and the mounting bracket with two M5 screws.
Use 2 M6 bolts for securing the sensor body (separately prepare bolts, nuts, washers, etc.).
Please use applicable screws with diameter PF1/2 when wiring with a conduit tube.

Mounting bracket (accessory)

Plate thickness: 2 mm

Transmitter

Receiver

| Metal Processing
Detection of Loose Wire Rods

Wire hanging from loose wire rod carried by hook conveyor is detected (sensor used in combination with pinhole plates).

Subscribe

Sign up to receive latest news releases and product updates