Long Range

NAL-M10RP

  • Long detecting distance of 10 m achieved with Retroreflective type
  • Mirror-like objects stably detected
  • Single unit simplified wiring
  • Stable operation can be checked at a glance with stability indicator
Contact us about this series

NAL-M10RP

Model Detection method Detecting distance Output mode Connection Protective structure  
NAL-M10RP Polarized retroreflective 0.5 - 10m Relay output 1a Terminals IP67
Contact

Accessories

K-7

60 x 40mm Reflector for Polarized Retroreflective models

More Info

  • Long detecting distance of 10 m ideal for detecting large objects and for use on large conveyors
  • Retroreflective type requires wiring of only one unit, simplifying wiring and reducing cost
  • Polarized retroreflective type for stable detection of glossy objects
  • Detecting condition can be checked at a glance with stability indicator

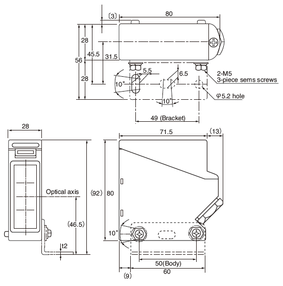
Body

Mounting bracket (accessory) attached

Relay output type

Transmitter

Receiver

| Delivery/Transportation
Detection of Passage of Automobiles

The polarized retroreflective sensor securely detects even glossy objects. The stability indicator displays detecting conditions clearly.

Subscribe

Sign up to receive latest news releases and product updates