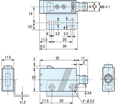
LD-T20R (-C1) Series
Figures above show receivers. Transmitters have different panels.

M8 connector type (-J type)
Figures above show receivers. Transmitters have different panels.

LD-S33R

With mounting bracket attached
LD-M10R
LD-M10RPN

LD-S20R
LD-S20RPN

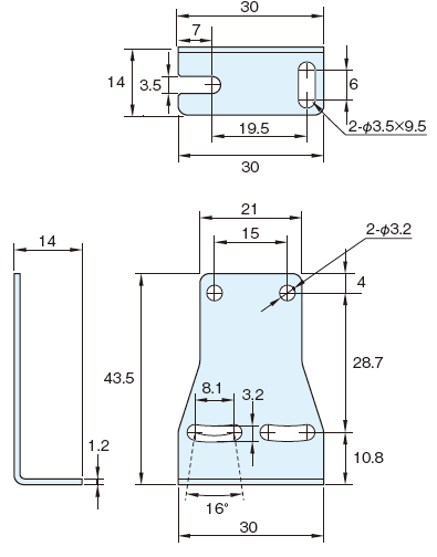
Mounting bracket (accessory)

Through beam type transmitter

Through beam type receiver

- The stability output is not provided with short circuit protection.
Polarized reflective / Variable focus reflective type

Convergent reflectionive type

Pin assignment and connection of M8 connector type (-J)

- Slow starter circuit is provided for laser emission. The laser light is illuminated about 0.5 seconds after power-up or reset of short circuit caused by emission stop input.
- The output transistor turns off when load short circuit or overload occurs. Check the load and turn the power back on.
| Semiconductor
Detection of Chips on Lead Frames
|
Variable focus reflective laser sensor checking presence of chips.

| Electronic Component Mounting
Detection of Lifting of Tape Feeder
|
Lifting in tape feeders in line can be detected by spot laser beam.

| Electronic Component Mounting
Positioning of Hybrid Substrates
|
High precision positioning achieved with micro-spot laser beam.

| Automatic Assembly
Joint of motor body detected before welding. Variable focus reflective laser sensor allowing optimized adjustment according to distance.

| Textile
Detection of Solid Wire Among Stranded Wires (Detection of Cut)
|
Detecting a cut solid wire with a fine laser beam.

| Rubber/Plastic
Diffuse reflective laser sensor used for checking presence of black rubber cap on tip of metal rods. Variable focus function provides optimal focusing of light spot according to distance.

| Printing
Positioning of Rolled Paper
|
Rolled paper positioned on printer. Sensor with focused laser beam ensures high accuracy.
