Simplified CMD
NT100(P) Series
- High powered light transmission capable of withstanding adverse environmental conditions.
- Optional parts available for a wide range of applications
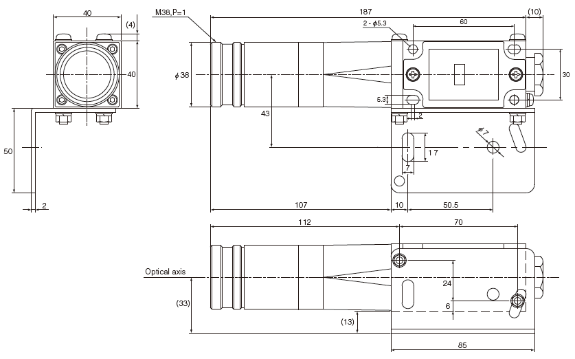
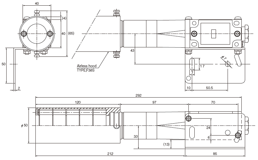
The NT50/100(P) Series sensors are high powered CMDs designed to withstand severe operating environment (water, dust, etc.).




Sign up to receive latest news releases and product updates