- High powered output 90 W (FTL44A)
Laser diode of optical output 90 W is used as the light source, over 3,000 times as high-powered as LED type (of Takex). The output of model FTL441A is 10 W.
- No cooling required
Supports ambient temperature of up to 200C without cooling.
- Detector with superb durability
Fiber covered with flexible tube with stainless steel braid for robustness and resistance to heat and corrosion.
- Self-check feature integrated (SAFETY feature)
The transmitter is provided with light emission monitor circuit, which outputs alarm signal (SAFETY ALARM) when light emission stops due to failure, etc. The receiver is provided with a stability check feature, which constantly checks the received light intensity at light reception and outputs error signal (SAFETY ALARM) when there is not much margin in the received light intensity level due to soiling of lens, optical axis misalignment, etc.
- 5-point level indicator
Received light intensity is shown with 5 LEDs, offering easy viewing of stability and facilitating optical axis alignment.
Amplifier unit

Fiber optic cable

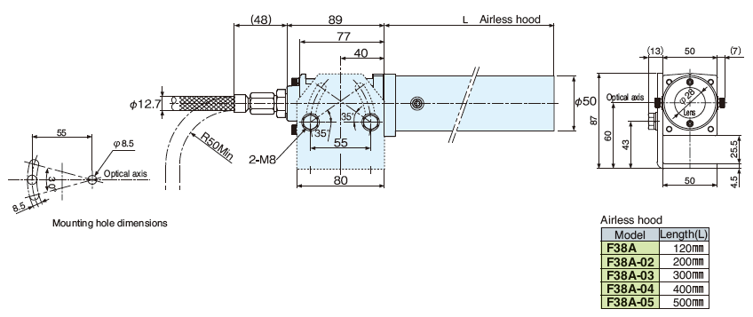
Example of combination of Airless hood and optical head
Optical head Model OHA

Example of combination of Airless hood and optical head
Optical head Model OH2
Airless hood Model F7ON

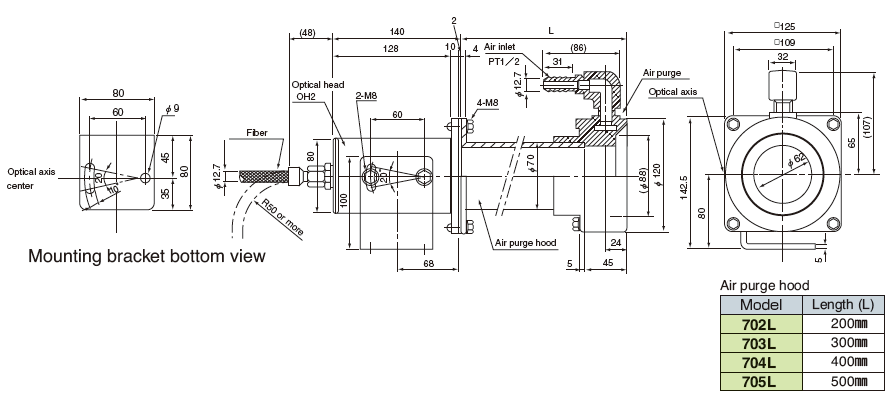
Example of combination of air purge hood and optical head
Optical head Model OHA

Example of combination of air purge hood and optical head
Optical head Model OH2

Connection

Connection

- Be sure to limit the length of the receiver cable within the length of the provided cable (20 m) and route separately from power supply lines.
Extension of the cable or insecure connection of the shielded line may cause induction, which may lead to faulty operation
- Be sure to connect the grounding terminal. Failure to ground may cause faulty operation due to induction.
- Terminals Nos. 12 and 13 are for external gating.
Short-circuiting these terminals disables the internal circuit (output). Provide contact or open collector for operation.
When not using external gating, leave the terminals open.
| Steel/Ceramic
Detection of Presence of Material in the Furnace
|
Detection of presence of material in the furnace. The detecting head is highly heat-resistant.
