FD-A320 Series
- Digital display of light intensity on dual screen
- Covers low to high temperatures
- Employs the highly reliable Bestact relay
* "Bestact" is a registered trademark of Yaskawa Controls Co.,Ltd.
| Model | Output type | Control output | Protective structure | |
|---|---|---|---|---|
| FD-A320 | Mini power relay output / Photo-MOS relay output |
Light ON Rating: 1c 5A 250VAC Response time: 17ms |
IP64 | |
| FD-A320H | Bestact relay output / Photo-MOS relay output |
Light ON Rating: 0.5A 220VAC / 0.3A 110VDC Response time: 6ms |
IP64 |
This photo sensor is a fiber radiation photo sensor (HMD) which can directly detect infrared energy radiated from heated materials such as heated steel.
The intelligent HMD has a wide dynamic range of amplifier (125 times conventional products), with a current output of 4-20mA.
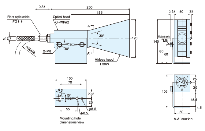
Guidelines are given below for the temperature of a detection object larger than the detecting field of view with optical head (OHA) and fiber optic cable (FG2) used for detection.
(The detectable temperature varies, depending on emissivity of the object.)
| Low temperature range | 350 - 800C |
|---|---|
| High temperature range | 490 - 1300C |
The minimum temperature depends on the length of the fiber optic cable used or the detecting field of view of the optical head.
Temperatures shown in this table are for heated material larger than the field of view. If the material is smaller than the field of view, the lowest detectable temperature is increased. The guidelines are for the minimum temperatures of detection objects with margins of about four times as much as the inherent performance. For detailed data, see “Minimum Detectable Object and Lowest Detectable Temperature.”
| Low temperature range | High temperature range | |||||
|---|---|---|---|---|---|---|
| Fiber length | Optical head | Optical head | ||||
| Standard view model OHA |
Narrow view model OHAN/OHAN10 |
Wide view model OHW1/OHW2 |
Standard view model OHA |
Narrow view model OHAN/OHAN10 |
Wide view model OHW1/OHW2 |
|
| 2m | 350C | 480C | 415C | 490C | 685C | 590C |
| 3m | 365C | 500C | 430C | 510C | 705C | 610C |
| 4m | 375C | 515C | 445C | 525C | 720C | 625C |
| 5m | 385C | 530C | 450C | 540C | 735C | 635C |
| 7m | 400C | 550C | 475C | 560C | 760C | 660C |
| 10m | 445C | 600C | 520C | 610C | 850C | 725C |
| 15m | 480C | 640C | 555C | 655C | 920C | 775C |
| 20m | 500C | 665C | 580C | 680C | 960C | 800C |
| 30m | 530C | 705C | 610C | 720C | 1030C | 850C |












Detection of Red-Hot Steel |
Detecting the presence of material at the outlet of furnace. The detecting head is highly heat-resistant.

Sign up to receive latest news releases and product updates