Discontinued Series
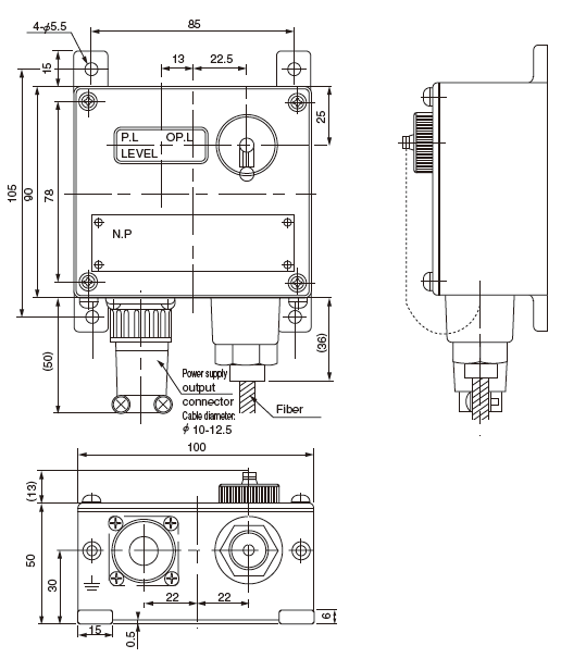
FD-A310C Series
** Limited stock, last few remaining **
- Focus on basic functions for low cost
- Compact, lightweight amplifier
- Flexible heat resistant fiber optic cables
| Model | Output mode | Control output | Protective structure | |
|---|---|---|---|---|
| FD-A310C | Relay output | Light ON/Dark ON Rating: 1c 5A 250VAC Response time: 10ms |
IP54 |
FD-A310 C series are hot metal detectors (HMDs) that directly detect infrared radiation from heated glass or steel.
Glass fiber optic cables with high heat resistance and transmission factor are used for detecting heads, which transmit the detected infrared rays to amplifiers that amplifies the signals for output.
Two output types are available: mini power relay output and photo-MOS relay output for AC/DC control.






Sign up to receive latest news releases and product updates