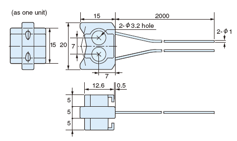
Detection of liquid level in pipe
FU901BC
- Easy installation and reliable detection
| Model | Prominent feature | |
|---|---|---|
| FU901BC | Mountable on translucent or transparent pipes of glass, PFA, etc. of 6 - 26 mm in diameter |

Sign up to receive latest news releases and product updates