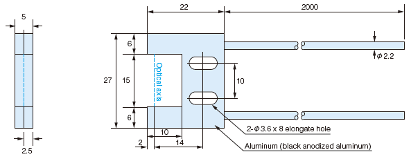
Through Beam type
FU715BC
U-shaped head, 15 mm fixed detecting distance
U-shaped head, 15 mm fixed detecting distance
| Model | Prominent feature | |
|---|---|---|
| FU715BC | No optical axis alignment required, vibration resistant |

Sign up to receive latest news releases and product updates