U-Shaped
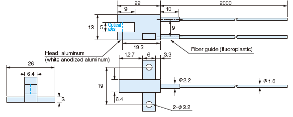
FU1002BC
Heat resistance 115 ?C, replaceable with photo micro sensor
Heat resistance 115 ?C, replaceable with photo micro sensor
| Model | Prominent feature | |
|---|---|---|
| FU1002BC | Replaceable with photo micro sensor, heat resistance 115°C |

Sign up to receive latest news releases and product updates