Reflective type
FRL7W16BC
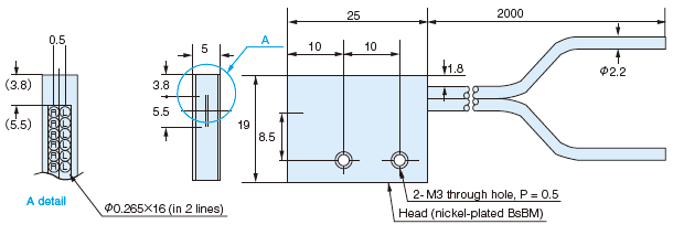
Wide area head on model with 5.5 mm detecting width
Wide area head on model with 5.5 mm detecting width
| Model | Prominent feature | |
|---|---|---|
| FRL7W16BC | Detecting width 5.5 mm |

Sign up to receive latest news releases and product updates