LED Type Color Sensors
CS Series
- New feature (mix teaching)
- Improved width of color identification through RGB composition
- Easy color setting using the teaching function
| Model | Connection | Detection method | Light source | Output mode | Power supply | Response time | |
|---|---|---|---|---|---|---|---|
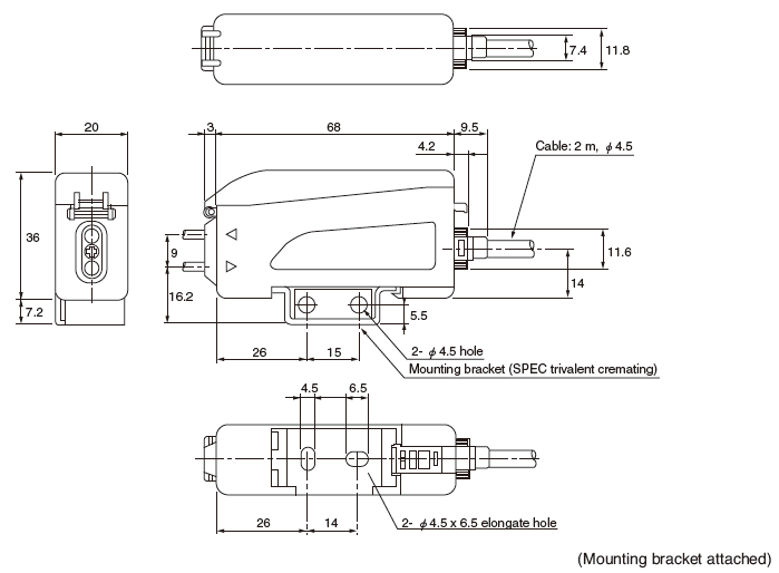
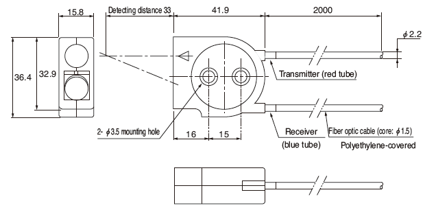
| CS-D3 | Attached cable (Outer dimension: dia.4.5 mm) 0.2 mm^2 x 4 cores, 2 m | Fiber | Red, green, blue LEDs (RGB composition) | NPN | 1.6 W or less. | Normal (NML) mode: 1 ms or less. Average value (AVE) mode: 5 ms or less. |
|
| CS-D3PN | Attached cable (Outer dimension: dia.4.5 mm) 0.2 mm^2 x 4 cores, 2 m | Fiber | Red, green, blue LEDs (RGB composition) | PNP | 1.6 W or less. | Normal (NML) mode: 1 ms or less. Average value (AVE) mode: 5 ms or less. |







Detection of Lead Frame Plating |
Reliable detection achieved by determination of RGB color component and brightness.

Checking for Mixed Bearing Outer Cases |
Outer bearing cases checked by color marking for the purpose of mixing different models.

Sign up to receive latest news releases and product updates