Passive Color Sensor
CS-R85
Detects various lighting types from high-frequency pulse to DC LED light sources.
Lighting is automatically identified by the sensor while teaching, requiring no setting by the user.
Detects various lighting types from high-frequency pulse to DC LED light sources.
Lighting is automatically identified by the sensor while teaching, requiring no setting by the user.
| Model | Detection method | Response time | Output mode | |
|---|---|---|---|---|
| CS-R85 | ID of color ratios | 10 ms or less | NPN/PNP |
CS-R85 | Product Showcase

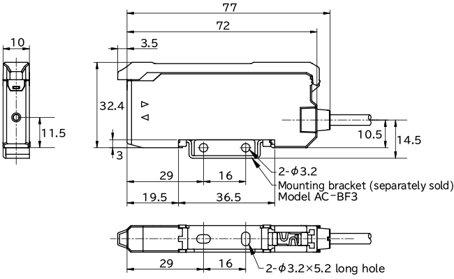
CS-R85 (with the mounting bracket attached)

NPN Output

PNP Output

Color Check of Lighting LEDs |
Discriminates lighting LED colors in the production processes for LED blinkers, tail lamps, and stop lamps.

LED Lighting Confirmation |
LED lighting confirmation

Mixing Different Lighting Types, Lighting Check |
Example of using both CS-R85 and CST-R85 for lighting check in the mixtures of different product types, as well as for lighting characteristics assessment.

Sign up to receive latest news releases and product updates