BGS/FGS switchable
BGS : Background suppression
- The sensor doesn't detect objects or background being out of the setting distance.
- This mode is suited for the detection of a target without background.
Detection principle

FGS: Background recognition: BGR (Foreground suppression)
- The sensor recognizes a background and detects a target by sensing the change in received light intensity.
- This mode is suitable for the detection of a target on a stable background.
Detection principle

NPN/PNP dual output
The dual output enables inventory management more efficient. Model numbers followed by "P" are PNP models for which PNP output is allocated to the primary (black/ PIN 4) output.
Unique optical design realizes better performance and long detection distance with the compact housing (Short range models)

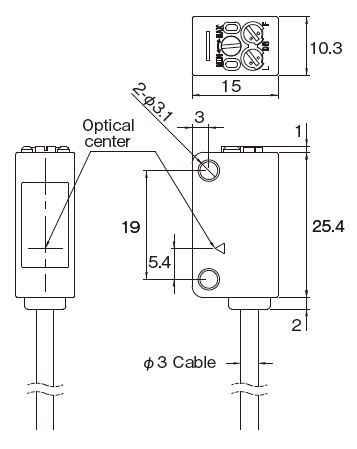
DLN-S4V

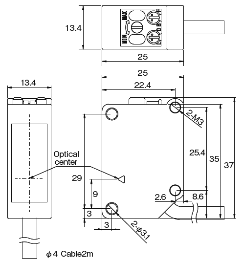
DLN-S20MV

Connection

| Semiconductor
Detection of Silicon Wafers
|
Securely detecting silicon wafers even when water drops are on their surface.

| Semiconductor
Wafer carrier detected through view port of vacuum tank.

| Electronic Component Mounting
Electronic Component Detection
|
Molded parts detected with background suppression photo sensor unaffected by color variation.

| Printing
Detection of Broken Paper on Rotary Press
|
Convergent reflective sensor not affected by print colors.

| Automatic Assembly
Checking of Parts Assembly
|
The convergent reflective sensor detects objects to be assembled into small parts.

| Consumer Electronics/OA
Checking of Presence of CD
|
Reliable detection achieved without being affected by patterns printed on CD.

| Steel/Ceramic
Checking for Missing Tile
|
Pallet checked for any missing tile. Reliable detection is achieved without being affected by tile color variation.

| Textile
Background suppression photo sensor provides reliable detection and is unaffected by variation of bobbin color or shape.

| Printing
Detection of Lifting of Ejected Paper
|
Background suppression photo sensor is unaffected by color variation and therefore used for detecting any lifting of ejected paper.

| Printing
Detection of Absorption in Lettuce Wrapping
|
The limited range reflective sensor detects lettuce wrapping without being affected by color or shape of the detecting object.

| Printing
Detection of Steamed Fish Paste on Belt Conveyor
|
The limited range reflective sensor detects steamed fish paste without being affected by color, shape or material of the detecting object.

| etc.
Detection of Objects in Harsh Environment
|
The limited range reflective sensor can detect material even in a harsh environment because it is not affected by dirt on lens or detecting objects.

| etc.
Detection of Coated Plywood Board
|
Plywood board of various colors detected with background suppression photo sensor.

| etc.
No-touch switch

| etc.
For Targets that Absorb Red Light
|
For targets that absorb red light
